Наличие поворотного стола на фрезерных станках существенно расширяет диапазон их применения. Конструкция данного узла определяет жёсткость агрегата, а, следовательно, и точность производимых на нём операций.
Технические характеристики:
|
Модель/ Параметр |
TSK200 |
|
Углы схождении Т-пазов, ° |
90 |
|
Модули червячной шестерни |
1,75 |
|
Коэффициент червячной передачи |
1:90 |
|
Градуировка, ° |
360 |
|
Угол наклона, ° |
0-90 |
|
Шкала маховичка |
1’ |
|
Минимальное значение шкалы |
10” |
|
Точность показаний |
2’ |
|
Максимальная нагрузка на подшипник в горизонтальном положении, кг |
150 |
|
Максимальная нагрузка на подшипник в вертикальном положении, кг |
75 |
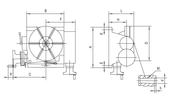
Чертеж стола модели TSK
Габаритные размеры, мм:
|
|
TSK200 |
|
A |
296 |
|
B |
213 |
|
C |
186 |
|
D |
Ф200 |
|
E |
14 |
|
F |
175,5 |
|
H |
120 |
|
L |
180 |
|
M |
МТ3 |
|
P |
40 |
|
d |
Ф30 |
|
h |
6 |
