Масляные циркуляционные насосы применяются для подачи смазочной или охлаждающей жидкости к трущимся деталям машин/механизмов, т.е. могут применяться как в смазочных, так и охлаждающих системах. Насосные агрегаты комплектуются насосами, изготовленными из высококачественной легированной стали. Они малошумны и долговечны. Агрегат очень компактный. Корпус насосного агрегата изготовлен из чугуна методом литья, что придает конструкции прочность.
Схема масляного насоса:

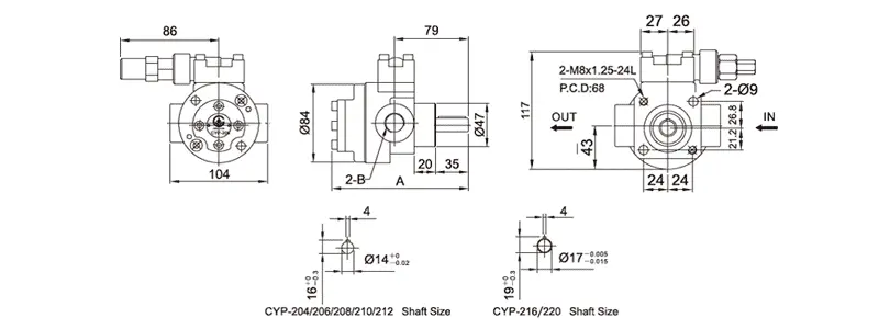
Габаритные размеры, мм:
| Модель | A | B |
| CYP-204 | 141 | PT 1/2 |
| CYP-206 | 146 | PT 3/4 |
| CYP-208 | 151 | PT 3/4 |
| CYP-210 | 156 | PT 3/4 |
| CYP-212 | 161 | PT1 |
| CYP-216 | 171 | PT1 |
| CYP-220 | 181 | PT1 |
1. Давление и объем нагнетания больше, чем у роторного масляного насоса. Легко работать и устанавливать.
2. Рекомендуется собирать с регулирующим клапаном и рабочим давлением до 10 кг/см2, во избежание повреждения функции масляного насоса.
3. Используйте чистое масло, чтобы избежать порчи или повреждения насоса.
4. Стандартное фиксированное отверстие 125x100 мм для двигателя 1/2НР с насосом тяжелой нефти.
5. Разъем может помочь уменьшить шум во время работы двигателя.
6. Двигатель 1/2 НР и 1 HP доступны по запросу.
7. Подходящая вязкость масла составляет R32 ~ 220 cSt при 40 ° С.