Масляные циркуляционные насосы применяются для подачи смазочной или охлаждающей жидкости к трущимся деталям машин/механизмов, т.е. могут применяться как в смазочных, так и охлаждающих системах. Насосные агрегаты комплектуются насосами, изготовленными из высококачественной легированной стали. Они малошумны и долговечны. Агрегат очень компактный. Корпус насосного агрегата изготовлен из чугуна методом литья, что придает конструкции прочность.
Схема масляного насоса:
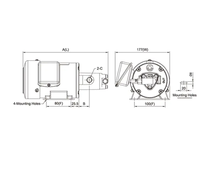
Габаритные размеры, мм:
| Модель | A | B | C |
| CYP-12A с напорным клапаном | 265 | 37 | PT 1/4 |
| CYP-12A без напорного клапана | 249 | 37 | PT 1/4 |
1. Интегрированный двигатель с масляным насосом вращается только по часовой стрелке или против часовой стрелки, доступен только для горизонтального двигателя 1/4 НР.
2. Валы двигателя и ротора насоса объединены таким образом, что может предотвратить соприкосновение двух валов друг с другом и продлить срок службы.
3. Имеются СУР-12А и СУР-13А для разных скоростей потока.
4.В качестве опции можно добавить регулирующий клапан давления. Диапазон регулировки давления составляет 2 ~ 5 кг/см2.
5. К масляному насосу могут быть добавлены подшипники для снижения скорости износа и шума.
6. Насос может широко применяться для смазки или охлаждения в различных машинах, таких как станки с ЧПУ, вязальные машины и станки для планирования.
7. Подходящая вязкость масла составляет R32 ~ 68 cSt при 40 ° С.
