Наличие поворотного стола на фрезерных станках существенно расширяет диапазон их применения. Конструкция данного узла определяет жёсткость агрегата, а, следовательно, и точность производимых на нём операций.
Технические характеристики:
|
Модель/ Параметр |
TS400A |
|
Углы схождении Т-пазов, ° |
60 |
|
Модули червяка и червячной передачи |
3,5 |
|
Коэффициент червячной передачи |
1:90 |
|
Градуировка, ° |
360 |
|
Поворот стола при одном повороте червяка, ° |
4 |
|
Минимальное значение шкалы |
10” |
|
Точность показаний |
60” |
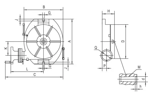
Чертеж стола модели TSA
Габаритные размеры, мм:
|
|
TS400A |
|
A |
530 |
|
B |
450 |
|
C |
612 |
|
D |
Ф400 |
|
G |
18 |
|
H |
140 |
|
J |
18 |
|
K |
180 |
|
L |
337 |
|
M |
МТ4 |
|
P |
60 |
|
Q |
160 |
|
d |
Ф40 |
|
h |
10 |
