• Описание
  • Характеристики
  • Отзывы0
0%
CEN22 фото
CHEN YING
Пока нет отзывов
Станция смазки масляный туман CEN22 выполнена из резины. Ёмкость системы смазки можно выбрать: 3л или 4л.
Страна производства
Тайвань
Бренд
Описание
 

Смазка масляным туманом применяется для зубчатых передач, цепных приводов высокооборотных подшипников качения, шпинделей шлифовальных и деревообрабатывающих станков и пневмо-инструмента. Масло-воздушная смесь не только смазывает, но и эффективно охлаждает, снимая и унося с воздухом избыточное тепло. 


Технические характеристики:

  • Таймер контролирует работу и интервал времени.  Электронный прибор имеет индикаторы работы и интервала;
  •  Электронный блок может автоматически сохранить исходную операцию и интервал времени, когда питание внезапно выкл.  После включения питания он вернется к исходному времени установки и снова начнет цикл;
  • Есть кнопка подачи масла;
  • Объем может регулироваться клапаном регулирования давления.  Поворачивая клапан по часовой стрелке, объем масла будет увеличиваться, и, поворачиваясь против часовой стрелки, объем масла будет уменьшаться;
  • Когда питание  отключено, давление воздуха и выходная мощность будут одновременно снижены в целях безопасности;
  • Имеет регулирующий клапан, который может регулировать давление и легко проверяется с помощью манометра;
  • Есть поплавковый выключатель, который может определять объем масла.  Он издаст автоматический сигнал, когда уровень масла будет ниже минимального.

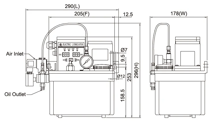
Схема станции смазки:




Характеристики
Страна производства
Тайвань
Бренд
Модель
CEN22
Гарантия, мес.
12
Мощность электродвигателя, кВт
0.025
Производительность ном., м3/час
200
Материал
Резина
Время действия, сек
1-999
Время интервала, мин
1-999
Сила тока, А
0,3/0,6
Максимальное давление, кг/см2
15
Расстояние между крепежными отверстиями, мм
205/250
Диаметр подающего отверстия, мм
4/6
Не указана цена

Ваш консультант

Анастасия
+7 (341) 265-06-08
Отзывы
Хотите оставить отзыв?Поставьте свою оценку!
Сделайте выбор!