• Описание
  • Характеристики
  • Отзывы0
0%
CEN24 фото
CHEN YING
Пока нет отзывов
Станция смазки масляный туман CEN24 выполнена из резины. Ёмкость системы смазки можно выбрать: 3л или 4л.
Страна производства
Тайвань
Бренд
Описание
 

Смазка масляным туманом применяется для зубчатых передач, цепных приводов высокооборотных подшипников качения, шпинделей шлифовальных и деревообрабатывающих станков и пневмо-инструмента. Масло-воздушная смесь не только смазывает, но и эффективно охлаждает, снимая и унося с воздухом избыточное тепло. 


Технические характеристики:
  •  Типы CEN24, CEN25 не имеют таймера, также можно управлять с помощью программного логического контроллера (ПЛК);
  •  Объем  может регулироваться с помощью регулирующего клапана.  При повороте клапана по часовой стрелке объем масла будет увеличиваться, а при вращении против часовой стрелки объем масла будет уменьшаться;
  •  Когда питание  отключено, давление воздуха и выходная мощность будут отключены одновременно в целях безопасности;
  •  Имеет регулирующий клапан, который может регулировать давление и легко проверяется с помощью манометра;
  •  Есть поплавковый выключатель, который может определять объем масла. Он издаст автоматический сигнал, когда уровень масла будет ниже минимального.

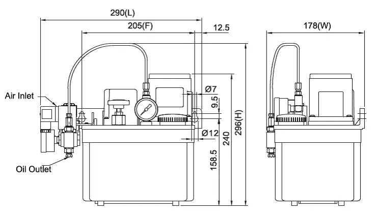
Схема станции смазки:




Характеристики
Страна производства
Тайвань
Бренд
Модель
CEN24
Гарантия, мес.
12
Мощность электродвигателя, кВт
0.025
Производительность ном., м3/час
200
Материал
Резина
Сила тока, А
0,3/0,6
Максимальное давление, кг/см2
15
Расстояние между крепежными отверстиями, мм
205/250
Диаметр подающего отверстия, мм
4/6
Не указана цена

Ваш консультант

Анастасия
+7 (341) 265-06-08
Отзывы
Хотите оставить отзыв?Поставьте свою оценку!
Сделайте выбор!