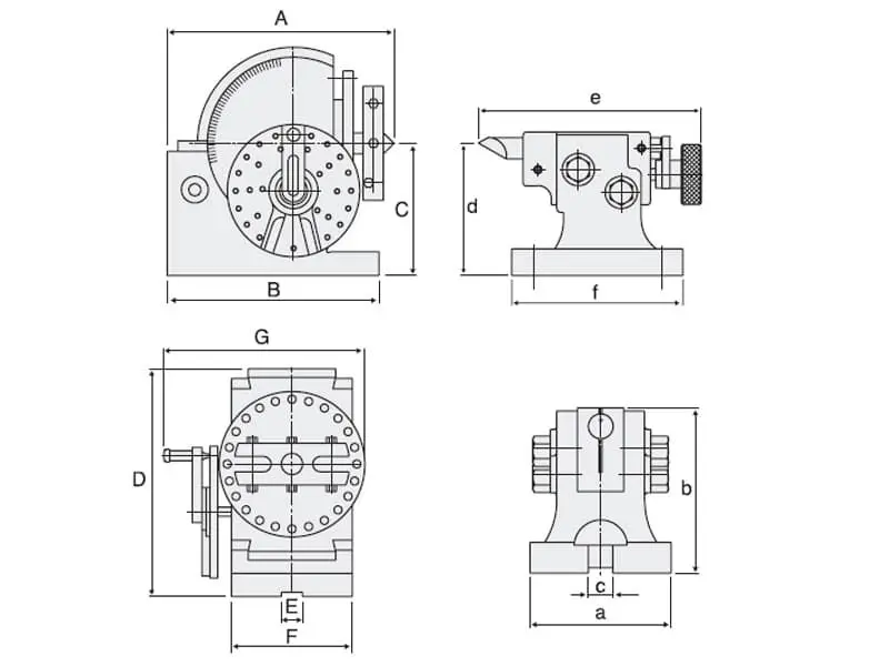
Головка делительная полу универсальная BS-1
Полууниверсальная делительная головка - это упрощенный тип универсальной делительной головки, может использоваться для непосредственной и опосредованной угловой индексации. Никаких вспомогательных приспособлений для работы с дифференциальной угловой индексацией не включено, но вся конструкция делительной головки и задней бабки идентична конструкции головки универсального типа. Блок имеет диск непосредственного деления с 24 отверстиями, позволяющий производить непосредственное деление на 2, 3, 4, 6, 8, 12 и 24 делений. Три других делительных диска предлагаются как стандартные для облегчения опосредованной угловой индексации всех делений от 2 до 50, а также наиболее применяемых делений до 380.

| A | B | C | D | E | F | G | a | b | c | d | e | f | |||||||||||||
|---|---|---|---|---|---|---|---|---|---|---|---|---|---|---|---|---|---|---|---|---|---|---|---|---|---|
| 293 | 11 11/32 | 210 | 8 17/64 | 128 | 5 3/32 |
220 |
8 21/32 |
16 |
5/8 |
114 |
4 31/64 | 156 |
6 9/64 |
108 |
4 1/14 |
134 |
5 18/64 |
16 |
5/8 | 128 | 5 3/32 |
184 |
7 1/4 | 150 | 5 29/32 |