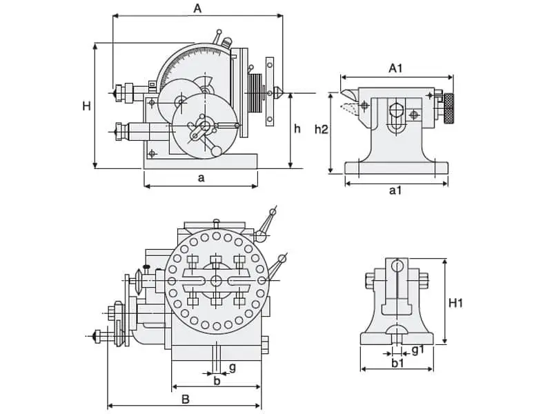
Универсальная делительная головка разработана для всех видов деления. Благодаря высокоточному изготовлению деление возможно еще с большей точностью чем раньше.
Центр выполнен с возможностью наклона для операций под углом. Передаточное отношение червячной передачи 40:1.
![]() |
|||||||||||||||||||||||||
| A | B | H | h | a | b | g | A1 | a1 | b1 | g1 | H1 | h2 | |||||||||||||
| 365 | 14 13/32 | 272 | 10 45/64 | 236 | 9 19/64 |
132.7 |
5 15/64 |
213 |
8 25/64 |
134 |
5 9/32 | 16 |
5/8 |
194 |
7 41/64 |
177 |
6 62/64 |
125 |
4 59/64 |
16 |
5/8 |
147 |
5 50/64 |
Max. 138 | Min. 115 |
