Серия револьверных головок АК22 предназначена для применения на вертикальных и горизонтальных станках с ЧПУ. Зажим и разжим осуществляется с помощью гидромотора, при вращении нет подъема головки.
В качестве механизма позиционирования используется хиртовое соединение. Револьверная головка имеет высокую точность, надежность, плавность вращения, подходит для обработки больших заготовок.
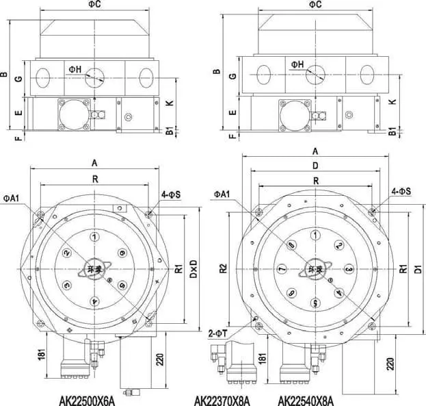
Технические характеристики:
|
Параметр/Модель |
AK22370X8A |
AK22500X6A |
AK22540X8A |
|
Высота оси, мм |
170 |
200 |
|
|
Время смены инструмента (соседние положение), сек |
≤3 |
≤4 |
|
|
Крутящий момент в вертикальной плоскости, Нм |
5000 |
6000 |
|
|
Крутящий момент в горизонтальной плоскости, Нм |
2500 |
3000 |
|
|
Вес, кг |
250 |
455 |
485 |
|
Вес в упаковке, кг |
282 |
495 |
525 |
|
Типоразмер |
A |
A1 |
В |
B1 |
С |
D |
D1 |
Е |
F |
G |
H |
К |
R |
R1 |
R2 |
S |
T |
|
AK22500X6A |
504 |
572 |
423.5 |
11 |
425 |
480 |
/ |
125 |
7 |
142.5 |
(90) |
200 |
420 |
420 |
/ |
17 |
12 |
|
AK22370X8A |
370 |
397 |
400 |
-1 |
326 |
360 |
420 |
117 |
3 |
105 |
(70) |
170 |
300 |
320 |
360 |
18 |
12 |
|
AK22540X8A |
544 |
584 |
431 |
11 |
425 |
480 |
480 |
125 |
7 |
147 |
(68) |
204.5 |
420 |
420 |
420 |
17 |
12 |
