Серия револьверных головок АК23 предназначена для применения на вертикальных и горизонтальных станках с ЧПУ. В качестве механизма позиционирования используется хиртовое соединение.
Технические характеристики:
|
Параметр/Модель |
AK23300 X4C |
AK23320 X4D |
AK23320 X4DL |
AK23380 X4C |
AK23380 X4D |
AK23440 X4C |
AK23440 X4D |
|
Высота базовой плоскости, мм |
125 |
130 |
130 |
110 |
105 |
145 |
145 |
|
Время смены инструмента (соседние положение), с |
4 |
4 |
4 |
4 |
6 |
8.5 |
8.5 |
|
Крутящий момент двигателя, Нм |
5 |
5 |
5 |
6.4 |
6.4 |
9.4 |
9.4 |
|
Вес, кг |
143 |
154 |
160 |
205 |
203 |
254 |
255 |
|
Вес в упаковке, кг |
155 |
168 |
170 |
230 |
228 |
281 |
285 |
|
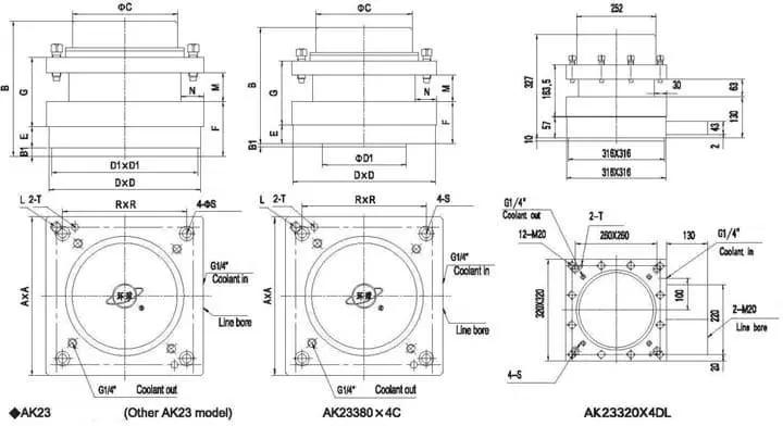
А |
В |
B1 |
С |
D |
D1 |
Е |
F |
G |
L |
М |
N |
R |
S |
Т |
|
|
AK23300X4C |
300 |
335.5 |
20 |
252 |
300 |
300 |
60 |
145 |
163.5 |
12-М16 |
63 |
30 |
260 |
18(26) |
10 |
|
AK23320X4D |
320 |
325 |
10 |
252 |
316 |
316 |
57 |
130 |
163.5 |
12-М20 |
63 |
30 |
260 |
18(26) |
10 |
|
AK23380X4C |
380 |
327 |
13 |
254 |
376 |
220h6 |
50 |
110 |
166 |
20-М20 |
70 |
55 |
300 |
22(34) |
16 |
|
AK23380X4D |
380 |
332 |
/ |
254 |
376 |
/ |
55 |
105 |
179 |
20-М20 |
90 |
55 |
300 |
22(34) |
12 |
|
AK23440X4G |
440 |
370 |
/ |
346 |
420 |
/ |
50 |
145 |
225 |
20-М20 |
80 |
50 |
360 |
26(40) |
12 |
|
AK23440X4D |
440 |
370 |
10 |
346 |
420 |
260 |
50 |
145 |
225 |
20-М20 |
80 |
50 |
360 |
26(40) |
12 |
