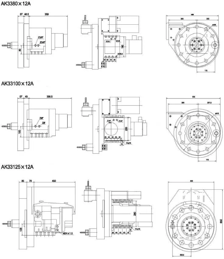
Данные револьверные 12 позиционные головки предназначены для токарно-фрезерных обрабатывающих центров с ЧПУ. Вращения инструментального диска в двух направлениях.
В качестве механизма позиционирования используется хиртовое соединение. Позиционирование инструмента контролируется абсолютным датчиком. Данные револьверные головки имеют компактный дизайн, высокую надежность и точность.
Поставка инструментального диска и инструментальных блоков (для точения, растачивания, цанг и инструмента с конусом Морзе) по специальному заказу.
Технические характеристики:
|
Модель |
AK3380X12A |
AK33100X12A |
AK33125X12A |
|
Количество инструментов |
12 |
12 |
12 |
|
Высота оси, мм |
80 |
100 |
125 |
|
Время смены и зажима инструмента (соседние гнезда), сек |
0.57 |
0.45 |
0.95 |
|
Время поворота на 180° (включая зажим), сек. |
1.54 |
1.0 |
2.5 |
|
Макс. скорость вращения инструмента, об/мин |
5000 |
4000 |
3000 |
|
Макс. крутящий момент, Нм |
20 |
40 |
60 |
|
Макс. мощность двигателя, кВт |
6 |
8 |
10 |
|
Вес (без инструм. диска), кг |
– |
228 |
408 |
Револьверные головки с приводным инструментом серии AK33
