Серия револьверных головок АК27 предназначена для применения на вертикальных и горизонтальных станках с ЧПУ.
В качестве механизма позиционирования используется хиртовое соединение.
Технические характеристики:
|
Параметр/Модель |
Высота базовой плоскости, мм |
Время смены инструмента (соседнее положение), сек |
Крутящий момент двигателя, Нм |
Вес, кг |
|
AK27300x4D |
125 |
4 |
5 |
122 |
|
AK27380x4-SH |
160 |
6,5 |
6,4 |
- |
|
AK27400x4D |
196 |
8,5 |
9,4 |
430 |
|
AK27300 x4C |
125 |
4 |
5 |
140 |
|
AK27300 х6C |
160 |
3,5 |
5 |
149 |
|
AK27320 х5B* |
205 |
5,5 |
6,4 |
- |
|
AK27380 х5C* |
135 |
6,2 |
6,4 |
260 |
|
AK273 80x6D |
135 |
5,5 |
6,4 |
200 |
|
AK273 8Ьх6E* |
205 |
5,5 |
6,4 |
254 |
|
AK27 40X4C |
160 |
8,5 |
9,4 |
312 |
|
AK274 40x6QY |
160 |
8,5 |
9,4 |
311 |
|
AK27320 x4QY5 |
90 |
6,5 |
5 |
16 |
|
AK27320 x5QY |
90 |
6,5 |
5 |
- |
|
AK27380 х4C |
95 |
6,5 |
6,4 |
175 |
|
AK27380 x4QY5 |
95 |
6,5 |
6,4 |
175 |
|
AK27450 x4D |
105 |
8,5 |
9,4 |
- |
|
AK27450 x4QY1 |
105 |
8,5 |
9,4 |
- |
|
AK27320 x4C |
90 |
4 |
5 |
113 |
|
AK27380 x4E |
109 |
4 |
6,4 |
175 |
|
AK27450 x4C |
110 |
8,5 |
9,4 |
284 |
|
AK27320 x6QY1 |
90 |
5 |
5 |
- |
|
AK27380 x6C |
109 |
3,5 |
6,4 |
170 |
|
AK27440 x6C |
110 |
8,5 |
9,4 |
- |
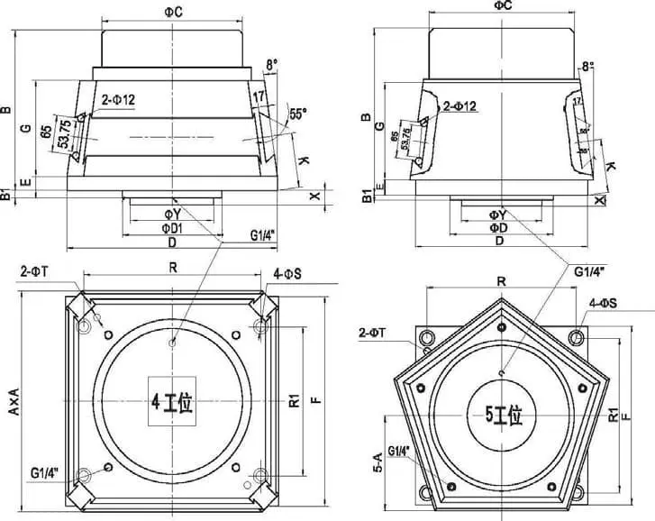
Револьверные головки серии AK27
|
|
A |
B |
C |
D |
D1 |
D2 |
E |
K |
L |
M |
N |
G |
H |
I |
R |
R1 |
S |
T |
U |
V |
W |
X |
Y |
Z |
B1 |
|
AK27300x4D |
300 |
318 |
252 |
363 |
245 |
/ |
36.5 |
125 |
115 |
50 |
25h6 |
G1/2” |
G3/8” |
M22x1.5 |
363 |
245 |
17 |
14 |
/ |
/ |
/ |
/ |
/ |
/ |
/ |
|
AK27380x4-SH |
380 |
342.5 |
254 |
360 |
360 |
/ |
49 |
145 |
140 |
80 |
25h7 |
G3/8” |
G1/4” |
2-M20x1.5 |
300 |
300 |
22 |
12 |
155 |
154 |
43 |
170 |
120 |
5 |
/ |
|
AK27400x4D |
400 |
408.5 |
345.5 |
460 |
460 |
460 |
53 |
196 |
140 |
120 |
25h7 |
G1/4” |
G1/4” |
2-M20x1.5 |
360 |
360 |
26 |
12 |
155 |
154 |
43 |
170 |
120 |
5 |
50 |
|
|
А |
В |
С |
D |
D1 |
D2 |
E |
ЕЗ+ Е4 |
F |
G |
К |
L |
М |
Т |
N |
Р |
Q |
|
AK27300X 4C |
300 |
300.5 |
125 |
50 |
45 |
163.5 |
120 |
45+ 40 |
252 |
18H8 |
296 |
260 |
17.5 |
16- М 16 |
Z1/4" |
G1/4" |
2-М20 х1.5 |
|
AK27300X 6C |
300 |
315.5 |
160 |
60H7 |
60 |
155 |
105 |
45+ 35 |
248 |
/ |
298 |
260 |
16 |
24- М16 |
G1/4" |
2-G1/4" |
М20 х1.5 |
|
AK27320X 5B" |
160 |
300.5 |
125 |
50H7 |
45 |
165 |
150 |
55+ 55 |
254 |
18Н8 |
300 |
260 |
16 |
20- М16 |
/ |
G1/4" |
2-М20 х1.5 |
|
AK27360X 5C* |
190 |
391 |
205 |
60H7 |
115 |
179.5 |
150 |
55+ 55 |
254 |
18Н8 |
360 |
300 |
16 |
20- М16 |
/ |
G1/4" |
2-М20 х1.5 |
|
AK27380X 6D |
380 |
330.5 |
135 |
60H7 |
45.5 |
179.5 |
150 |
55+ 55 |
254 |
18Н8 |
360 |
300 |
18 |
24- М16 |
G1/4" |
G1/4" |
2-М16 х1.5 |
|
AK27380X 6E' |
380 |
391 |
205 |
60H7 |
115 |
179.5 |
150 |
55+ 55 |
254 |
18Н8 |
360 |
300 |
16 |
20- М16 |
/ |
G1/4" |
2-М16 х1.5 |
|
AK27440X 4C |
440 |
355 |
160 |
/ |
50.5 |
169.5 |
/ |
/ |
360. 5 |
320 |
420 |
360 |
26 |
/ |
G1/4" |
Z3/8" |
М20 х1.5 |
|
AK27440X 6QY |
440 |
355 |
160 |
80H7 |
50.5 |
189.5 |
180 |
58+ 58 |
346 |
/ |
420 |
360 |
26 |
36- М16 |
Z3/8" |
Z3/8" |
М20 х1.5 |
|
|
А |
В |
В1 |
С |
D |
D1 |
E |
F |
G |
К |
R |
R1 |
S |
T |
X |
V |
|
AK27320X4QY5 |
320 |
281 |
8 |
253 |
300 |
180h6 |
25.5 |
300 |
163.5 |
90 |
260 |
260 |
18 |
10 |
31 |
110 |
|
AK27320X5QY |
320 |
281 |
8 |
253 |
300 |
180h6 |
25.5 |
300 |
163.5 |
90 |
260 |
260 |
16 |
12 |
30 |
176 |
|
AK27380X4C |
380 |
302 |
13 |
254 |
380 |
180h6 |
25.5 |
340 |
166.5 |
95 |
320 |
260 |
18 |
10 |
36 |
110 |
|
AK27380X4QY5 |
380 |
305 |
13 |
254 |
380 |
180h6 |
25.5 |
340 |
166.5 |
95 |
320 |
260 |
18 |
10 |
36 |
110 |
|
AK27450X4D |
450 |
340 |
15 |
360 |
450 |
260h7 |
35 |
450 |
190 |
105 |
360 |
360 |
22 |
12 |
/ |
/ |
|
AK27450X4QY1 |
450 |
340 |
15 |
360 |
450 |
260h7 |
35 |
450 |
190 |
105 |
360 |
360 |
22 |
12 |
/ |
/ |
|
Типоразмер |
А |
В |
В1 |
С |
D |
D1 |
E |
К |
G |
R |
S |
T |
X |
Y |
|
AK27320X4C |
320 |
281 |
8 |
248 |
300 |
180 |
25 |
90 |
90 |
260 |
18 |
10 |
/ |
/ |
|
AK27380X4E |
380 |
307 |
8 |
254 |
360 |
220h6 |
30 |
109 |
109 |
300 |
22 |
16 |
31 |
110 |
|
AK27450X4C |
450 |
340 |
10 |
345 |
400 |
320h6 |
35 |
110 |
110 |
340 |
22 |
12 |
/ |
/ |
|
AK27320X6QY1 |
323 |
286 |
8 |
253 |
300 |
180h6 |
25.5 |
90 |
163.5 |
260 |
18 |
12 |
30 |
176 |
|
AK27380X6C |
(390) |
307 |
8 |
254 |
360 |
220h6 |
30 |
109 |
160 |
300 |
22 |
16 |
|
|
|
AK27440X6C |
441 |
342 |
8 |
356 |
400 |
320h6 |
35 |
110 |
190 |
340 |
22 |
12 |
/ |
/ |


